微机消谐装置消谐原理知识分享
2023-05-09 完美体育在线注册,完美体育(中国)
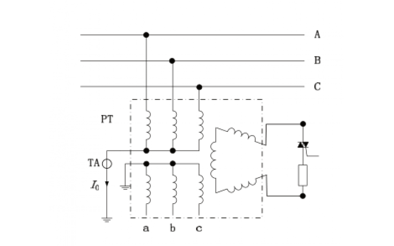
电力系统常见微机消谐装置方案介绍
2023-03-03 完美体育在线注册,完美体育(中国)
KWZK-XXZ200微机消谐装置电源故障维修经验分享
2022-09-01 完美体育在线注册,完美体育(中国)