新闻动态

  • PID控制中P、I、D参数的作用是什么

    关于PID控制中有P、I、D三个参数,只有明白这三个参数的含义和作用才能完成控制器PID参数整定,让控制器到达最佳控制效果。本文给大家介绍PID控制中P、I、D参数的作用。

    2025-04-14 完美体育在线注册,完美体育(中国)

  • 阀门定位器调试方法简介

    上述3显示至MAN时,按*键可至人工调整模式(POS-MAN),按+或-选择(CAL(校准)、CONFIG(开始用这里进}、CONTROLLER、EXAMINE、OPER).

    2024-12-23 完美体育在线注册,完美体育(中国)

  • tricon 压缩机控制功能块说明

    tricon 压缩机控制功能块说明

    2023-04-13 完美体育在线注册,完美体育(中国)

  • 气动控制阀常见故障分析和解决办法知识分享

    WHY-Q系列气动控制阀常见故障分析和解决办法知识分享

    2022-06-02 完美体育在线注册,完美体育(中国)阀门

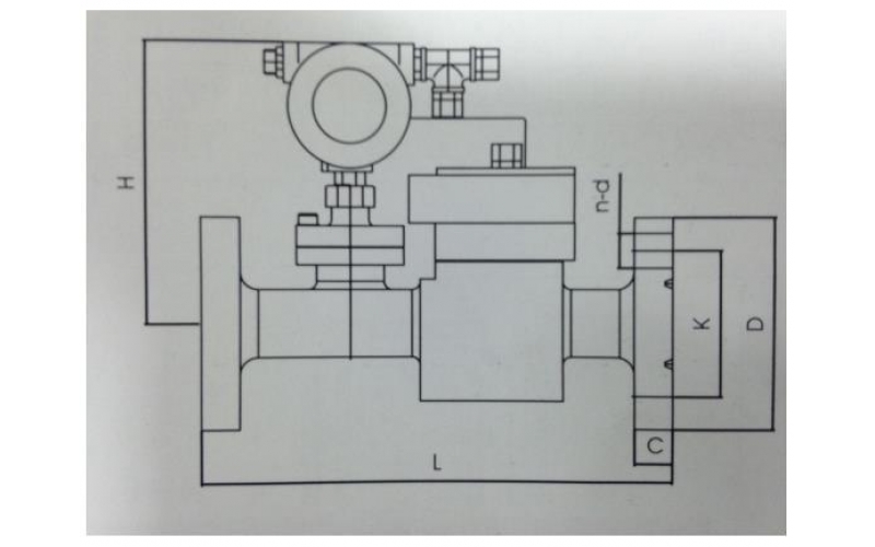
  • 高压流量自控仪

    高压流量自控仪

    2022-03-22 完美体育在线注册,完美体育(中国)

  • PID控制简述集合

    尽管不同类型的控制器,其结构、原理各不相同,但是基本控制规律只有三个:比例(P)控制、积分(I)控制和微分(D)控制。这几种控制规律可以单独使用,但更多场合是组合使用。如比例(P)控制、比例-积分(PI)控制、比例-积分-微分(PID)控制等。

    2022-03-22 完美体育在线注册,完美体育(中国)

上一页1下一页 转至第
首页
产品
新闻
联系