行业知识

电气连接与闭锁逻辑知识分享

2022-12-16 15:17:54 完美体育在线注册,完美体育(中国)

电气连接与闭锁逻辑知识分享

防误闭锁逻辑是运维人员需要掌握的技能之一,如果你发现自己总是数不全面,有遗漏,是不是说明没有掌握要领。

防误闭锁有机械闭锁、电气闭锁、逻辑闭锁(间隔层测控逻辑闭锁)等,一般情况下,只有逻辑闭锁是全逻辑的,而机械闭锁和电气闭锁原则受制于客观条件,不强制全逻辑,只实现部分逻辑。

这里只分析全逻辑闭锁。

1.闭锁是为了防误操作,所以得从五防说起。


(1)防误分合断路器。

断路器是要随着准备分合的,所以除了机械原因禁止分合,其他情况不能设置闭锁的,所以这里防误分合不能通过闭锁实现。


(2)防止带负荷分、合隔离开关。

不能用隔离开关来切换或接通负荷电流,所以闭锁逻辑要求本单元断路器分位,再加入本单元无电流判据。比较简单

图片关键词

(3)防止带电合接地开关。

(4)防止带接地刀闸合隔离开关。


隔离开关闭锁逻辑的复杂之处在这两条的实现。

2.通过前文《电气连接和隔离开关》,学会如何分隔电气连接后,发现接地开关总是处于某一个电气连接内的。


合此接地开关,需确保“电气连接”无电(压),只要此“电气连接”与系统(电网)隔离,也就是该电气连接内的隔离开关全部分位。

图片关键词

3.如上图接地开关507217、507227在“电气连接1”内,它们合的逻辑就是该电气连接内所有隔离开关(50721、50722)分位。

图片关键词

4.“电气连接2”内的507167线路接地开关所在的延伸到了线路对侧了,理论上闭锁逻辑需要对侧隔离开关分位,但是它知不道对侧位置啊,于是用线路无压来代替,就是线路压变二次空开合位、二次无压(考虑存在感应电压,要求低于一定值即可,就是低电压判据)

图片关键词

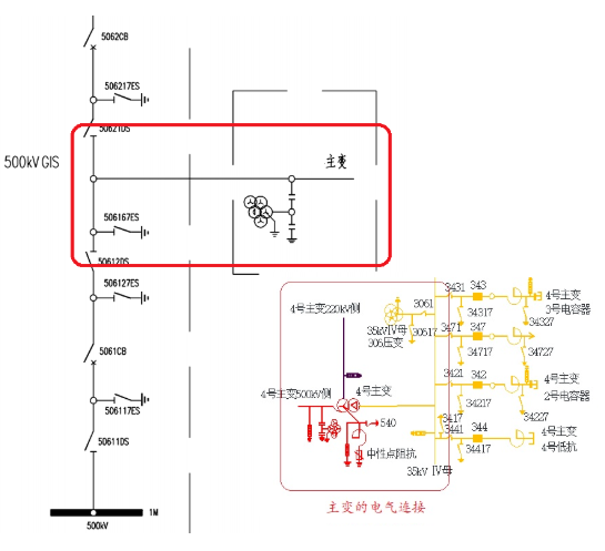
5.变压器单元的电气连接复杂一点,三侧隔离开关为界,如果35kV母线没有总开关,整个35kV母线和所有间隔的隔离开关都在这个电气连接内。

图片关键词

507167接地开关允许合的逻辑如下,这里低压侧隔刀包括电容电抗器所有间隔隔离开关

图片关键词

所以只要认清电气连接,接地开关的闭锁逻辑是不是很容易就全部找出来了,没有遗漏


6.“防止带接地刀闸合隔离开关”的闭锁逻辑同理,它所在电气连接内接地开关全部分位,才允许合闸,特殊之处前文也提及了,就是隔离开关身处两个电气连接。

图片关键词

50712动静触头在电气连接2和3内,它的闭锁逻辑需要这两个电气连接内的接地开关分位,再叠加防止带负荷分合隔离开关条件。(理论上电气连接2内还有对侧线路接地开关,但是取不到对侧位置,已经无能为力了)

图片关键词

7.对照闭锁逻辑的设计说明看看

图片关键词


首页
产品
新闻
联系